와이에이치인터내셔날 와이에이치인터내셔날

문의하기
Product

도전하는 YH인터내셔날이 새로운 가치와 미래를 창조합니다.

진공용

홈 > Product > 전자 공압비례밸브 & 전자 공압 서보밸브 > 에어 압력제어용 > 진공용

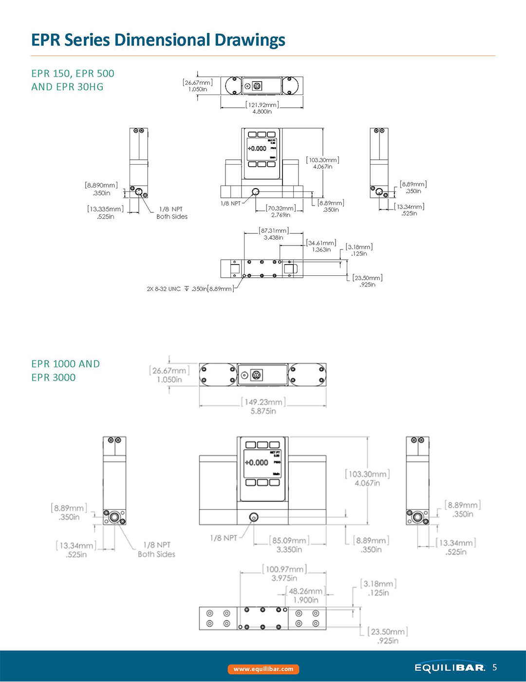
Equilibar EPR Series - 진공용

제품특징

Equilibar EPR 시리즈는 정밀 전자 제어 압력 및 진공 레귤레이터 입니다.
EPR은 closed volume 내에서 또는 유량이 낮은 시스템에서 High-Resolution으로 압력 또는 진공을 정확하게 제어합니다.
이중 밸브 기술은 고가의 가스 손실을 최소화하면서 압력을 제어합니다.

■ 어플리케이션
- 산업용 압력 제어 어플리케이션
- 반도체 제조 라인 정밀 제어 어플리케이션
- 촉매 연구용 리액터
- 백프레셔 기준 압력 세팅

제품 특 장점 요약

■ 최고의 안정성을 위해 인&아웃 밸브 모두 비례밸브 사용
■ 안정 상태에서 가스를 낭비하지 않음
■ 0.25%의 정확도로 매우 높은 Resolution
■ 디지털 또는 아날로그 통신
■ 키패드를 이용한 손쉬운 제어

Product Description

 

 

 



자세한 내용은 카타로그를 참고해주시거나 문의주세요.